Fluocerit-(Ce)

Formel:   

(Ce,La)F                                                                                                              (3.AC.15; Fluocerit-Gruppe).

Ausbildung:

trigonales Kristallsystem; gelb, gelb- bis rotbraun; prismatische oder tafelförmige Kristalle, auch massiv oder grobkörnig.

Entdeckung:   

1845 - Wilhelm Ritter von Haidinger. Der Name des Minerals bezieht sich auf seine Zusammensetzung, die FLUOr und CERium sowie das Suffix "-(Ce)" enthält, da Cer das dominierende Seltenerdelement (REE) ist.

Typlokalität: 

Schweden, Provinz Dalarna, Falun, Pegmatite um Falun, Broddbo und Finnbo (Finbo).

Seltenheit:

wenig verbreitet                                                                                      (mineralienatlas: 34 / mindat: 51 Lokalitäten; 2025).

 

 

Fluocerit-(Ce)

Hammarö, Värmlands län, Schweden

 Stufe: 3,8 x 2,8 cm  

 

 

 

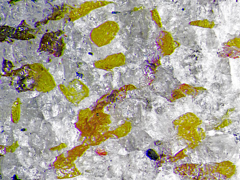
Fluocerit-(Ce), gelbe Körner

Detail der links abgebildeten Stufe

Bildbreite: 5 mm

                                                                                                        

Quellen: Sammlung und Fotos Matthias Kahl; allg. Mineralbeschreibung nach Mineralienatlas.de, Mindat.org, Handbook of Mineralogy, DeWikipedia und/oder Lapis-Mineralienmagazin

© copyright Matthias Kahl